Aufbau & Installation des D5-Repeaters

Da nun einige die Sammelbestellung erhalten haben, lohnt es sich wahrscheinlich den Sammelbestellungs-thread nicht weiter mit spezifischen Fragen auszublähen

Wie montiert ihr das Modul?
Auf einem Foto des Sammel ist das Modul mit Schrauben befestigt. Leider sieht man den Träger nicht.
Druckt jemand :face_blowing_a_kiss: Träger für die zwei verschiedenen RAK-Modul-Grössen?
Oder kommt gleich ein Geistesblitz?

@chix Druckausgleich: gerne würde ich zwei Adapter und Vertile übernehmen, da meine wie fast erwartet nicht kompatibel sind

Ich habe keinen D5, allerdings einen 3D Drucker. Wenn du mir die genauen masse geben kannst, kann ich dir einen Drucken :slight_smile:

1 Like

WHOW - das wäre toll - vielen Dank!
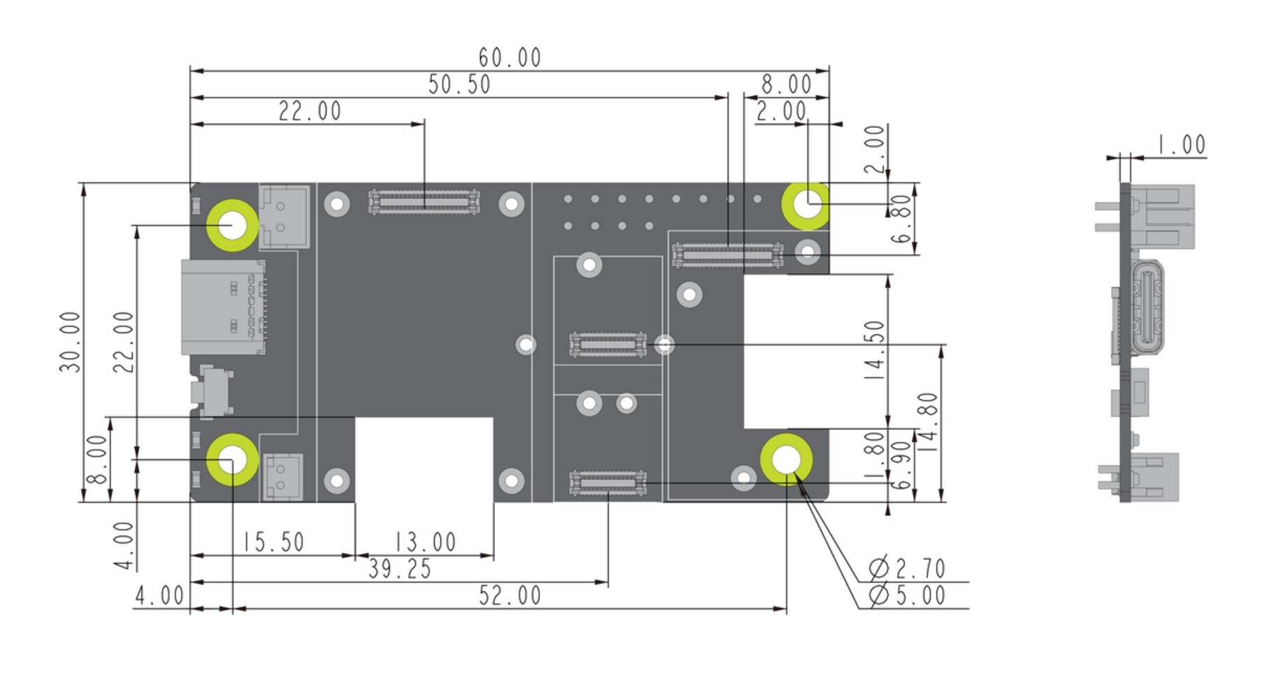
die masse sind hier am ende aufgeführt.
hier ein ausschnitt

gerne würde ich in das board mit 4 M2.5mm Schrauben an den Ecken in den Träger schrauben. d.h. dort müssten 1.5-2mm löcher sein (da hab ich jedoch keine erfahrung)
den träge werde ich mit doppelseitigem klebeband befestigen

Die noch vorhandenen Batterieträger (auf dem ersten foto sichtbar) würde ich bestmöglichst rausklippen
Aufgrund seiner grösse müsste das modul mit der aussparung in richtung der antenne zu liegen kommen

gruss, Urs

Habe schon Halterungen zum 3D Drucken, kann die Dateien hoch laden sobald die Kiddos im Bett sind.

Und falls man die selber zeichnen möchte, RAK hat für alle Produkte 3D Files. Hier zum Beispiel für das RAK19007 Base Board:

https://downloads.rakwireless.com/3D_File/WisBlock/3D_RAK19007.stp

1 Like

Also, das sind nicht unbedingt tolle Designs auf welche ich stolz wäre, aber so müssen zumindest nicht alle selber was zeichnen…

  • Simpler Mount für die beiden RAK Base Boards.
  • Zum einkleben in den D5 Repeater gedacht, mit Epoxy oder Doppel-Klebeband.
  • Position oberhalb der 4 Battterien.
  • Schrauben können direkt die verwendet werden, die mit dem RAK Base Board kommen, direkt in den gedrucken Kunstoff einschrauben.
  • Für den RAK190003 sind keine Modifikationen am D5 nötig. Für das RAK190007 muss man mit einer Zange kurz die kleinen Plastik-Teile dort abbrechen wo keine 18650 Zellen sind, sonst kann man den nicht richtig einkleben (Morgen kommt noch eine bessere Version).

RAK19003 Mount - D5 Repeater

D5_Mount_RAK190003_CHIX.3mf (306.2 KB)

RAK19007 Mount - D5 Repeater

D5_Mount_RAK190007_CHIX.3mf (652.5 KB)

4 Likes

Ich finde den Keepteen D5 Solar eigentlich auch ganz gut, und ich habe mehrere im Einsatz.

Die grösste Schwäche des D5 ist aber, dass der USB Port des LoRa Modul nicht von aussen zugänglich ist. Von aussen ist nur der USB Port der Laderegelung zugänglich, zum externen Laden der Akkus. Wenn ein OTA Update fehlschlägt oder ein Reset-Taster gedrückt werden muss, heisst es schrauben. Und diese sind nach meinen Erfahrungen nicht von allerbester Qualität bezüglich Langlebigkeit des Schraubenkopfes.

Diese Punkte sind z.B. beim Seeedstudio, SenseCAP Solar Node P1-Pro eleganter gelöst.

Ich habe mir trotzdem mal Gedenken darüber gemacht wie man den D5 diesbezüglich etwas aufwerten könnte.

Ansatz 1 – Den USB Port nach aussen führen

Diesen Ansatz habe ich bereits erfolgreich getestet. Ich habe ein angewinkeltes, schlankes USB-C Kabel gesucht und gefunden.

https://de.aliexpress.com/item/1005009147890736.html (Achtung, Stecker Kombination M/F und Winkel nach Bedarf genau beachten!).

Als nächstes habe bei einem 5m USB-C Kabel den Stecker mit einem Messer soweit abgeschält, dass er durch das vorhandene Loch im Gehäuse passt. Der Stecker muss praktisch bis auf das Metall geschält werden.

Im Gehäuse habe ich die Stützwände zu den Akkus partiell herausgeschnitten, dass das Kabel problemlos verlegt werden kann. Das abgewinkelte USB Kabel passt genau in den vorhandenen Schlitz zwischen Akku Fassung und Aussenwand. Das externe Kabel kann man unter dem Print der Laderegelung durchschlafen nach dem man sie ausgebaut hat.

In den Gummistopfen der die Öffnung verschliesst habe ich ein Loch gebohrt welches dem Kabeldurchmesser entspricht und den Stopfen schliessend geschlitzt damit das Kabel eingelegt werden kann. Das so perfekt dicht zu kriegen sehe ich als problematisch. Deshalb habe ich noch mit etwas Silikonmasse nachgeholfen. Grundsätzlich kann man sicher auch einfach die ganze Bohrung mit Dichtmasse zuschmieren. Lange genug ist sie ja.

Als optionale Massnahme habe ich noch die externen Bluetooth Antennen entfernt das BT für MeshCore ja eh nicht relevant ist. Den externen Antennen Stecker habe ich mit einer Abdeckkappe versehen. Als Ersatz habe ich einen kompakte PCB BT-Antenne eingebaut. Diese passt in den Schlitz auf der gegenüberliegenden Seite.

Mit den 5m Kabel kommt man bei einer Infrastruktur nahen Installation gut bis irgendwohin wo es trocken ist womit ein Zugriff möglich ist. Den Reset-Taster könnte man bei Bedarf zusätzlich auch mit einem Leiterpaar nach aussen führen.

Ansatz 2 – Vorhandenen USB Port nutzen

Dies habe ich noch nicht ausprobiert und kann somit auch nicht sagen ob es wirklich funktioniert. Die Idee wäre es, auf dem Print der Laderegelung, die Datenleitungen des USB Port abzugreifen, da diese nicht benötigt werden und mit einem Kabel zum LoRa Modul zu führen.

2 Likes

Finde es immer super spannend zu sehen wie ihr alle eure Repeater gestaltet, die verschiedenen Gedanke und Bedürnisse lese ich immer äusserst gerne!

Ein Beispiel ist zum Beispiel der USB-Anschluss. Du betreibst da einen riesen Aufwand um irgendwie extern den RAK direkt flashen zu können, ich selber möchte auf keinen Fall an all meinen Repeatern einen externen USB-Zugang an welchem jeder ohne grossen Aufwand Änderungen am Repeater machen könnte. Ich selber löse das komplett über OTA. Da ist nichts richtig oder falsch, einfach nur andere Ansätze :+1:

Warum eigentlich den Reset-Button nach Aussen führen, der macht nur ein Reboot oder? Das könnte man doch auch mit dem bereits vorhandenen Power-Button lösen. Oder brauchst du den zum Flashen vom PCB?

Die D5 Repeater von der Sammel-Bestellung kommen mit nur einem Antennen-Anschluss. Ich verwende da auch immer wie du beschreibst die interne Bluetooth Antenne. Falls die jemand extern möchte ist es einfach noch ein Loch zu bohren.

Falls jemand noch zusätzlich den SMA Anschluss aussen am Gehäuse abdichten möchte, da kann ich Sugru sehr empfehlen. Das ist eine formbare Knetmasse die nicht ganz aushärtet und gummig bleibt.

Ich mache das jeweils bei den stark exponierten Repeatern. Zuerst Antenne montieren, dann vom Gehäuse bis zur Antenne alles schön dichten.

https://www.galaxus.ch/de/s4/product/sugru-by-tesa-sugru-8x-formbarer-allzweckkleber-vielseitige-klebeknete-zum-dekorieren-kleben-reparie-16635803

1 Like

Ich habe Sugru früher verwendet, leider ist die Knetmasse bei mir immer “verfallen” und brüchig/brökelig geworden. Vielleicht ist die Qualität heute besser, das kann ich nicht beurteilen.

Ich bin auf Liquid Insulation Tape vom schnellen Ali umgestiegen.
Es ist zwar nicht so einfach handzuhaben wie eine Knetmasse, fliesst aber auch in Winkel, Spalten und Gewinde. Danach leicht föhnen wenn es droht davon zu fliessen.

So, mein erster D5 ist aufgebaut und wird einige Zeit auf Balkonien getestet.
Ich möchte mich bei @chix für die Vorlagen zur Montage des Moduls und bei @Arkina für die schönen 3D-Drucke bedanken.
Die Accus habe ich wie ich das immer mache einen Ent-/Lade-Zyklus unterzogen

Bis ich OTA installiert habe musste ich mangels direktem laden des Boot-update über eine normale Installation via Chrome-Webinterface ausweichen und dort Auswahl von Start OTA aktivieren.
Von da aus konnte ich via OTA und Nordic-DFU vom iPhone aus die FW 1.14.1 laden.

4 Likes

Heute sind die Ventile aus China eingetroffen, dementsprechend konnte ich das 3D-Gedruckte Teil gleich testen und das passt bereits.

Ich drucke jetzt mal ein paar Adapter, muss aber auch zugeben dass ich nicht schon Lust auf die nächste Versand-Aktion habe :laughing:

Ersatz-Verschluss

  • Ein ganz normaler Ersatz-Verschluss falls jemand seinen mal verliert und den drucken möchte.

CHIX_D5_BottomCap_Replacement.3mf (698.5 KB)

Ventil-Verschluss

  • Ein Verschluss für die Verwendung zusammen mit den Ventilen von Aliexpress. Also eigentlich das gleiche wie oben, aber mit M5 Gewinde.
  • Verwendetes Ventil (M5): https://de.aliexpress.com/item/1005008129040204.html
  • Ist nur kompatibel mit D5 ohne den runden DC-Stecker am PCB. Bei denen von der Sammel-Bestellung ist der nicht vorhanden, also einfach drauf schrauben.

CHIX_D5_BottomCap_Valve.3mf (914.7 KB)

Das Video finde ich für ein solch langweiliges Produkt auch extrem gut aufgepumpt:

1 Like

Heute, nachdem es endlich Abgetrocknet ist, haben wir den Repeater CH_8180_Bulach an seinem finalen Standort auf einem Hochsitz oberhalb Nussbaumen montiert.
Besten Dank an den Jagdverband Rorbas für die unbürokratische Genehmigung.
Anbei einige Bilder wie ich das genacht habe.
Happy MeshCoring, Urs

Die Antenne (obere Verschraubung) hab ich mit Liquid_Insulation_Tape vom schnellen Ali abgedichtet.
Das untere Ende am Gehäuse habe ich mit Schrumpfschlauch ummantelt und gegen oben auch noch mit demselben versiegelt. Ich hoffe das dichtet …

4 Likes

Danke für deine vielen Tips und Ideen zum Aufbau des Repeaters!

1 Like

bekommt der noch Sonne, wenn das Laub da ist ?

Ein Erfahrungsbericht in ein paar Wochen wäre interessant.

1 Like

mach ich gerne.

20260411 / 23:19 → 4.21V

20260412 / 22:21 → 4.23V

… coming soon