Unterbrechungsfreie Stromversorgung (USV) für den Betrieb eines Repeaters (Modul: Seed Studio Xiao nRF52 WIO), unabhängig vom Stromnetz

Meine Repeater in Magglingen und auf dem Hasenmatt senden inzwischen tausende Pakete am Tag, anfangs Jahr waren das nur dutzende, ich sehe aber keinen grossen Unterschied was den Strom-Verbrauch angeht.

Finde ich super cool legst du im Wallis los! Irgendjemand muss halt mal den Anfang machen, sobald die ersten Repeater laufen und auf der Karte sind ist das für solche die sich den Wechsel gerade überlegen natrülich wesentlich attraktiver :+1:

1 Like

Guten Tag Silvio
Schön zu lesen, dass du nun die ersten grossen Schritte unternimmst und Versuche mit einem Repeaterknoten machst! Die Einstellung der Ausgangsspannung ist etwas knifflig! Ausprobieren hilft. Zum Glück ist nicht immer alles ‘plug and play’ beim selber bauen. Das macht die Sache interessant!
Sobald du das Pannel bekommst, geht’s dann auch um die passende Montage damit das Teil möglichst lange voll besonnt ist!
Wie Patrick schreibt: Es sind zu Beginn kleine Tropfen, welche den Stein höhlen und plötzlich bricht der Damm.

Weiterhin viel Energie und Durchhaltewillen (auch wenn’s nicht klappen will)!

Liebe Grüsse
Paul

@chix Theoretisch müsste es ja eigentlich. Jeder Transmit benötigt ja ein vielfaches mehr an Strom als der reine Ruhestrom. Wenns aber passt, umso besser! Verfälscht halt meinen Test hier etwas. Was ich aber direkt merke ist, dass der Xiao extrem langsam lädt. So wie ich gelesen habe, ist es ja einstellbar zwischen 50mA und 100mA. Ich gehe jetzt mal davon aus, dass er mit 100mA lädt sonst ist der Akku zu Weihnachten noch nicht voll :wink: Bevor ich ihn draussen in der Kälte platziere, will ich nämlich alles auf 100% damit der Test einigermassen aussagekräftig ist.

Und ja - aller Anfang ist schwer. Hab bei Meshtastic nie etwas ausserhalb meines Grundstücks platziert. Leider gibt es bei Meshtastic im Oberwallis genug Leute, die die Geräte “falsch” konfiguriert haben als Router z.B. Denke nur schon durch sowas, ist das Meshtastic-Netzwerk hier einfach absolut nicht zuverlässig. Daher auch mein Wechsel zu Meshcore. Das was ich sehe und lese, ermutigt mich da auch aktiv Repeater zu stellen. Finde das Konzept/System von Meshcore einfach um einiges schlauer.

@Paul_Simmen Ja! Ich bin mit relativ grossen Schritten dran. Da ich ein 8 Monate altes Baby habe, ist die Zeit natürlich immer so ein Thema. Aber ich bin dran. Auch der baldige Wintereinbruch, macht es nicht einfacher da hier ja sehr unwegsames Gelände ist. Bringt auch nichts einen Repeater zu platzieren, wenn ich mich dabei zu Tode stürze :smiley: Durch den Modellbau macht mir das Löten etc. keine wirklichen Sorgen. Auch die Elektronik an sich nicht. Aber gestern dachte ich zuerst wirklich, ich sei unfähig über das Poti die entsprechende Ausgangsspannung einzustellen.

Aufgeben werde ich nicht. Wird leider wohl einfach länger dauern als ich möchte durch Frau, Kind, Arbeit etc. aber ich bin und bleibe dran. Bin aber langsam am überlegen, ob ich einen eigenen Thread starten sollte wo ich meine Überlegungen, Tests usw. posten kann. Ich will eigentlich nicht deinen Thread ständig zumüllen :slight_smile:

Liebe Grüsse an alle

Silvio

3 Likes

Hallo Silvio
Habe bei verschiedenen Transceivern die Stromaufnahme beim Senden gemessen. Liegt bei allen bei 100mA oder etwas mehr (bis 130mA) Das Senden des Daten-Packets dauert nur kurz, weniger als eine Sekunde! Bei einem 3’000 mAh - Akku’s ist die Reserve also sehr gross.
In der Tat, der Qiao lässt nur um die 100mA Ladestrom auf den Akku zu. Mehr liegt nicht drin. Der TP4056 (der in deiner Schaltung auch den 18650 lädt) ist da schon wesentlich potenter.

Ich denke, im Leben die richtigen Prioritäten zu setzen ist ganz ein wesentlicher Teil dessen, was nötig ist, um das zu erleben, was wir als Glück bezeichnen! Die Stunden mit deinem Kind kommen nie wieder… ich bastle und pröble halt jetzt an all dem im Pensionsalter, wofür ich früher - im Familien- und Berufsleben - zu wenig Zeit hatte. :wink:

1 Like

Hier noch ein Bild und ein Schema meiner obigen Ausführungen.
Zwsichen Batterie und Laderegler braucht es bei den meisten Ladereglern eine Schotky-Diode. Diese verhindert, dass in der Nacht Strom von der Batterie zurück zum Laderegler und zum Solar-Panel fliesst. Bei diesem Board sind es immerhin 1,2 mA, was ca. 10% des gesamten Stroms ausmacht.
Beim Laderegler gehe ich davon aus, dass er die Batterie sauber mit max. 4.2V lädt.
Das BMS darum, weil, wenn die Batterie leer ist/war, am Morgen, wenn die Sonne kommt, die meisten Laderegler die Spannung langsam ansteigen lassen, was dazu führt, dass der Microcontroller (NRF52840) unter Umständen nicht “sauber” startet.
Mit dem BMS wird der Ausgang (P+/P-) bei 3V sauber und sofort eingeschaltet.

1 Like

Zwischenbericht vom Testrepeater mit 2 Zellen:

Das Gerät liegt kopfüber auf der Solarzelle. So kommt von da kein Strom. Damit simuliere ich den worst-case von Vereisung am Solarpanel bei gleichzeitig schlechtem Wetter.

Der Repeater läuft jetzt schon ein paar Tage und wird dies wohl noch ein paar weitere Tage tun:

Mein Resultat. Draussen in der Witterung/Kälte, ganz ohne Solarzelle. Alles andere aber wie von @Paul_Simmen im Thread oben. Identische Hardware. 3200mAh (angeblich, nicht gemessen) 18650 Einzelzelle und 3000mAh (ebenfalls nicht gemessen) Flachzelle welche am Xiao an den Bat-Anschlüssen hängt.

2 Likes

Sehr schön, herzlichen Dank für das Teilen deiner Erfahrungen und Messwerte!

Du hast beschrieben, dass an deinem Standort wenig Traffic herrscht, dies kann aufgrund der bei deinem Screenshot gezeigten Airtime bestätigt werden. Mein Repeater hört lokal etwas mehr Traffic und sendet diesen auch wieder aus, wie man an der Airtime erkennen kann. Dennoch hält dein Repeater mit einer Zelle bereits ähnlich lange durch und hat einen ähnlichen SoC wie meiner mit zwei Zellen. Ich gratuliere dir zu diesem Erfolg!

Ich erachte dieses Zusammenspiel von verschiedenen Lösungsansätzen und verschiedenen Use-Cases als äusserst spannend und möchte alle dazu motivieren, genau in dieser Weise weiter zu forschen und die Erkenntnisse zu teilen :+1: .

2 Likes

Repeater Oberbühlchnubu:

2x 18650 geladen mit je ziemlich genau 3500 mAh = 7000 mAh

Stromverbrauch Durchschnitt: 14,58 mA

Laufzeit 20 x 24h = 20 Tage

FW: 1.10, diese brauchte noch etwas mehr Strom

Pakete nach 18T7h: TX: 47’000 / RX: 164‘000

Aktuell läuft er mit FW 1.11

1 Like

Selbe Bauweise wie von Paul? Denke in diesem Thema sollten wir schauen, dass es vor allem bei gleicher Bauweise ist. Dann kann man Rückschlüsse ziehen, wo man noch was anpassen könnte. 2x 18650 als „Stützakku“ hatte ich auch schon in Überlegung. Und eine Flachzelle als Direktakku des Xiao. Wäre halt interessant wenn es alles mit selber Hardware, zumindest im Repeater, wäre. Solarzelle usw könnte man ja vielleicht variieren. Nur ist halt die Sonnensache eine Variable welche nicht ganz gleich ist überall.

Mein Repeater hat auch nur so „viel“ Traffic weil ich ihn, damit er nicht permanent nichts zu tun hat, auf einen Zero Hop Advert von 1h gestellt habe. Bin hier alleine mit Meshcore - im gesamten Oberwallis. Störe damit also faktisch maximal die Meshtastic-Leute. Und die sind, Dank weniger Einzelpersonen, sowieso schon permanent gestört wegen Geräten in Router-Rolle an unpassenden Standorten.

1 Like

Hallo zusammen
Ganz spannend die Resultate. Bei meinem Versuchsaufbau sieht es sehr ähnlich aus wie bei euch. Fazit (bis jetzt): Gute Akku’s und die passende Hardware machen Repeater zu ‘Überlebenskünstlern’.
Bin auch wieder am Pröbeln. Die Einspeisung über Bat+ / Bat- (Angeregt durch die Input’s von Chrigu und Felix) ist nun das Thema. RAK sieht diese, nicht nur beim Solarmodul 19013, so ja eigentlich vor. Der Versuchsaufbau wird wohl ähnlich sein, wie von Felix beschrieben. Geplant ist, ein MCP 73871 Solarregler einzusetzen. Im Moment ist dieser auf dem Weg zu mir. Mal schauen, wie sich eine Schaltung damit im Vergleich zu den TP4056 - Lösungen verhalten wird.

LG, Paul

PS habe gesehen, dass Bastelgarage ein spannendes Solarkit im Angebot hat: 10W Solar Power Kit 12V / 5V Outputs monokristallines Panel - Bastelgarage Elektronik Online Shop

Hallo Chrigu

Angeregt durch deinen Input, habe mich etwas tiefer mit der Stromversorgung des Xiao über Bat+/Bat- auseinander gesetzt.

Ich habe mich entschlossen auf eine redundante Stromversorgung zu verzichten und die Akku’s in der Nähe des Reglers zu verbauen. Die gesamte Stromversorgung kann so vom Transceiver getrennt untergebracht werden. Am Antennenfuss ist nur ein kleines Gehäuse nötig, was einige Vorteile (z.B. Windwiderstand, Gewicht) bringt.

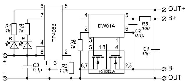
Ich plane nun Feldversuche mit zwei Reglern, welche jeweils via Bat+/Bat- einspeisen. Den ersten Versuchsaufbau (TP 4056, 2 Akku’s 18 650) habe ich heute (weil alle Teile bereits in der Bastelkiste vorhanden sind) zusammengebaut. Dabei habe ich darauf geachtet, die Anschluss- Litzen, nach der Lötung, mit einer Perle Araldit-Rapid festzumachen. Damit ist der Anschluss am Xiao mechanisch gesichert.

Den TP 4056 habe ich nach Schema angeschlossen. Die beiden Akkus sind parallel geschaltet und an B+/B- angeschlossen, somit durch DW01 und FS8205A geschützt, was für einen Versuchsaufbau ausreicht. Achtung: Beide Akku’s müssen vom Typ (Hersteller und Kapazität) sowie von der Ladung her, beim Anschluss, identisch sein!

OUT+/OUT- werden durch das Kabel mit XIAO Bat+/Bat- verbunden. Das Solarpannel speist über +/- mit 5V die Lade-Schaltung.

Der fertige Speisung wird zwischen den Xiao und das Solarpannel geschlauft. Dafür sind die beiden USB-Anschlüsse vorgesehen.

2 Likes

Kurzer Zwischenstand: 50% SoC , über 9 Tage Laufzeit. Heute Morgen war der Akkustand mal bei 47%. Denke aber dass die Aussentemperatur von -8 Grad Celsius dies zu verantworten hatte.

3 Likes

Danke vielmals für das Teilen der Resultate! Hier der Zwischenstand vom RAK4630 Board:

Das sieht sehr ähnlich aus… ich habe etwas mehr Traffic, dafür ist es hier wärmer :wink:.

1 Like

„Etwas“ :joy: Der einzige Traffic hier, bin ich :grin: Deine Lösung scheint aber etwas besser, bzw deutlich besser unterwegs zu sein. 57% bei über 10 Tagen ist ja schon ein grösserer Unterschied.

Gut - ich denke dass bei mir nach Tag 1 nur noch die Flachzelle am Leben war. Wahrscheinlich hat der 18650 vielleicht 1 maximal zwei (sah aber eher aus wie nicht mal 1 Tag) Tage gehalten und ging in Abschaltspannung. Prüfe das alles nach wenn der Repeater von selbst ausgeht.

Werde ebenfalls den „Notstart“ testen indem ich die Solarzelle verkabeln werde, wenn der Repeater sich selbst abgeschalten hat. Dann wird die Selbstzündung ebenfalls getestet und die Zeit wie lange es braucht, bis die Akkustände wieder oben sind :+1:

2 Likes

Nun ist es soweit… unsere ersten Nodes im Nebelmeer haben abgeschaltet (HB9BG Belp & HB9BG Mühlethurnen). Es handelt sich dabei um die ersten Muster, welche nur mit einer einzigen 18650-er Zelle ausgestattet wurden. Man lernt ja nie aus… Die Repeater über dem Nebel laufen derweil klaglos weiter. Wegen der schlechteren Zugänglichkeit wurden diese jeweils mit zwei Zellen ausgerüstet.

Das von Bastelgarage dürfte in etwa dem hier entsprechen, ausser dass hier die 12V fehlen.
Ich habe einen. Mir ist da einfach zuviel Elektronik drauf, welche sicher auch entsprechend Strom selber verbraucht.

Ohjeh… aber nun sind die beiden ‘Gürbetaler’ für dich bestimmt zu Objekten für weitere Studien geworden.
Bei mir ist beim ‘Färnstu - Router’ (RAK mit 2’200 mAh LiIon und Solarpanel, installiert im Halbschatten) neulich im Nebel das Licht ausgegangen. Ich interveniere vorerst mal gar nicht und warte einfach ab, was passieren wird.

… ja, denke auch. Da hast du recht, jedwelche Elektronik heizt die Umwelt, ausser die ‘Peltier-Zelle’ :wink:

Guten Abend Paul

Anlässlich des Ausfalls zweier Repeater im Nebel habe ich heute die verschiedenen Zellentypen, welche ich verbaut habe, etwas genauer angeschaut. Die Einzelzellen, welche Bastelgarage mit Halterung und fest angeschlossenem Kabel verkauft, haben eine geschützte Zelle. Die Typenbezeichnung NCR18650B hat mich am Anfang etwas irritiert, weil Panasonic selber nur Zellen ohne Schutzelektronik fertigt. Dritte assemblieren aber original Panasonic Zellen mit Schutzelektronik. Diese sind deutlich an der etwas grösseren Länge sowie am parallel zur Zelle verlaufenden schmalen Metallstreifen erkennbar (Siehe angehängtes Bild vom Bastelgarage Produkt).

In später aufgebauten Repeatern habe ich zwei parallel geschaltete Zellen in einer Doppelhalterung verbaut. Die Einzelteile habe ich ebenfalls bei Bastelgarage gekauft. Leider haben diese Einzelzelle trotz sehr ähnlichem Aussehen keine Schutzelektronik verbaut. Nach deiner Rückfrage im vorhergehenden Beitrag habe ich eine solche nun ergänzt. Sie passt ganz gut in eine Aussparung der Doppelhalterung und kann mit etwas Kaptonband befestigt, isoliert und danach mit etwas Schaumstoff gegen Kälte geschützt werden.

Dank deiner Rückfrage habe ich diesen unterschiedlichen Bauformen die notwendige Aufmerksamkeit geschenkt und nun sind alle Zellen in den Repeatern geschützt. Die bisher mit nur einer Zelle ausgerüsteten Repeater haben nun zwecks etwas höherer Standzeit ebenfalls zwei Zellen.

1 Like